风电机组解决方案
JK460系列风电机组在线故障诊断系统
一、产品概述
JK460系列风电机组在线故障诊断系统是针对风力发电机组关键机械部件的在线故障诊断与安全监测需求而开发的。该系统以唐智科技自主研发的“广义共振\共振解调故障诊断技术”为理论基础,辅以常规振动分析技术,通过各种感知元件在线监测风电机组的叶轮、主轴承、齿轮箱、发电机、塔架等关键部件的振动、冲击、转速信号等,实现对风电机组关键机械部件的在线自动诊断,提前识别故障类型、故障程度、精确定位故障部件和预测失效,帮助用户优化维修工作,减少意外停机,降低不可预见的维修成本,提高发电效率。


风电机组在线故障诊断系统机载装置安装示意图
二、产品优势
分布式自动诊断系统和基于信息化的云诊断服务,智能地实现故障自动定位、定量和维修下单。
产品集成度高,采集单元较同类产品体积小,防护等级高,安装维护方便。
振动、冲击复合监测,对早期故障更加敏感,可以帮助用户实现主动维护和预测维修。
三、监测对象
主轴
联轴器
发电机
塔架、叶轮叶片
四、监测内容
传动链轴承、齿轮、联轴器
主轴、齿轮箱、发电机整体振动与扭振
传动链轴系不平衡、不对中、碰磨
高速轴的轴向窜动、齿轮箱整体位移
塔架倾斜度、紧固螺栓松动、裂纹、共振
叶轮、叶片的重大破损
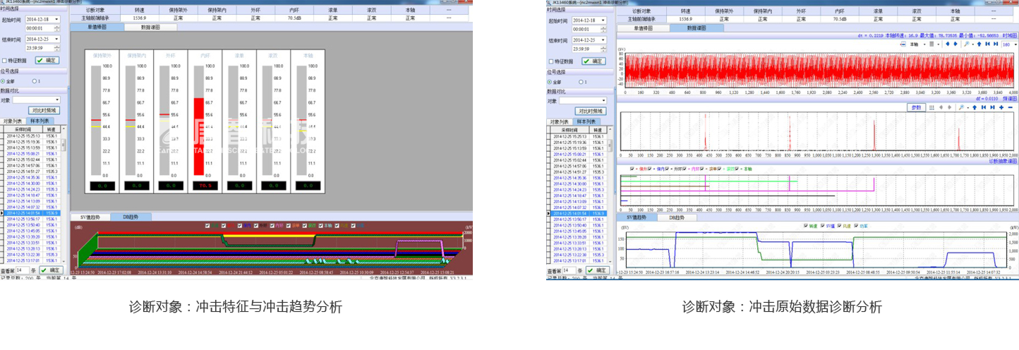
五、地面专家系统
基于故障诊断技术理论和企业运维信息化架构,公司构建了“风电机组在线故障诊断地面专家系统”,将所有的故障诊断相关的信息与企业区域中心或总部运维信息在线数据融合。软件具备对象与部件的声光报警输出和人机交互的控制、状态监测、数据分析、参数配置、程式分析与报警统计、报表输出等功能,同时软件通过与企业运维信息平台互联实现报警结果与维护建议在线下单形成运维闭环。






